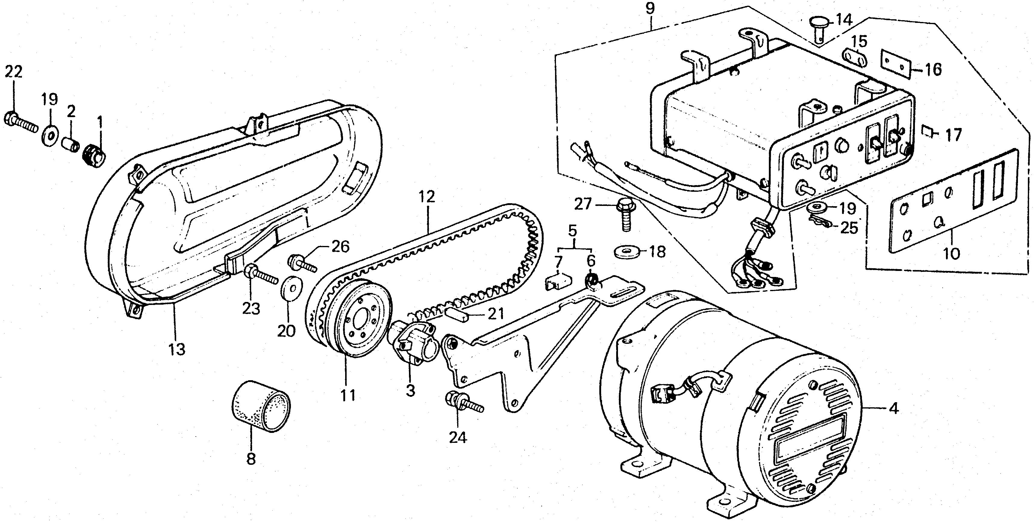
Generators ES ES4500 ES4500K1 A ES4500K1-1100001-9999999 CONTROL BOX@GENERATOR @BELT COVER - Al Lamb's Dallas Honda

Ref No
Part Number
Description
Serial Range
Qty
Price

Ref No
1
Part Number
17631-700-000
Description
RUBBER, TANK CUSHION (NOT AVAILABLE)
Serial Range
1000001 - 9999999

Ref No
2
Part Number
17642-839-000
Description
COLLAR, DISTANCE (NOT AVAILABLE)
Serial Range
1000001 - 9999999

Ref No
3
Part Number
22426-877-000
Description
BOSS, DRIVE PULLEY (NOT AVAILABLE)
Serial Range
1000001 - 9999999

Ref No
4
Part Number
31000-893-680ZA
Description
GENERATOR ASSY. *R8/NH31/NH1* (BRIGHT RED/MC KINLEY WHITE/ BLACK) (NOT AVAI
Serial Range
1000001 - 9999999

Ref No
5
Part Number
31180-893-000
Description
STAY ASSY., GENERATOR (NOT AVAILABLE)
Serial Range
1000001 - 9999999

Ref No
6
Part Number
31181-893-000
Description
STAY, GENERATOR (NOT AVAILABLE)
Serial Range
1124231 - 9999999

Ref No
7
Part Number
31185-893-000
Description
SEAT, RUBBER
Serial Range
1000001 - 9999999

Ref No
8
Part Number
31209-893-720
Description
PROTECTOR, STARTER
Serial Range
1014036 - 9999999

Ref No
9
Part Number
31400-893-672H
Description
BOX ASSY., CONTROL *R8* (BRIGHT RED)
Serial Range
1000001 - 9999999

Ref No
9
Part Number
31400-893-673H
Description
BOX ASSY., CONTROL *R8* (BRIGHT RED)
Serial Range
1124382 - 9999999

Ref No
10
Part Number
31406-893-670
Description
MARK, CONTROL BOX PANEL (NOT AVAILABLE)
Serial Range
1000001 - 9999999

Ref No
11
Part Number
49114-893-690
Description
PULLEY (141MM) (NOT AVAILABLE)
Serial Range
1000001 - 9999999

Ref No
12
Part Number
49212-893-691
Description
V-BELT (B-38) (NOT AVAILABLE)
Serial Range
1000001 - 9999999

Ref No
13
Part Number
63610-880-030H
Description
COVER, BELT *R8* (BRIGHT RED) (NOT AVAILABLE)
Serial Range
1000001 - 9999999

Ref No
14
Part Number
68331-876-000
Description
PIN, CONTROL BOX SETTING
Serial Range
1000001 - 9999999
Qty
Price
$4.98

Ref No
15
Part Number
87524-893-680
Description
MARK, D.C. CAUTION
Serial Range
1000001 - 9999999

Ref No
16
Part Number
87528-893-680
Description
MARK, A.C. OUTPUT
Serial Range
1000001 - 9999999

Ref No
17
Part Number
87534-892-640
Description
MARK, GROUND
Serial Range
1000001 - 9999999
Qty
Price
$2.40

Ref No
18
Part Number
90401-880-000
Description
WASHER (10X30X3.5T)
Serial Range
1000001 - 9999999
Qty
Price
$10.60

Ref No
19
Part Number
90506-500-000
Description
WASHER, AIR DUCT
Serial Range
1000001 - 9999999

Ref No
20
Part Number
90534-706-010
Description
WASHER, LOCK (8.5X35X4.5)
Serial Range
1000001 - 9999999
Qty
Price
$6.50

Ref No
21
Part Number
90741-889-810
Description
KEY (7X7X33) (OVER SIZE) (YELLOW)
Serial Range
1000001 - 9999999
Qty
Price
$9.32

Ref No
22
Part Number
92101-06020-0A
Description
BOLT, HEX. (6X20)
Serial Range
1000001 - 9999999

Ref No
23
Part Number
92101-08025-0A
Description
BOLT, HEX. (8X25)
Serial Range
1000001 - 9999999
Qty
Price
$2.12

Ref No
24
Part Number
93401-08020-00
Description
BOLT-WASHER (8X20)
Serial Range
1000001 - 9999999
Qty
Price
$1.86

Ref No
25
Part Number
94251-08000
Description
PIN, LOCK (8MM)
Serial Range
1000001 - 9999999
Qty
Price
$1.50

Ref No
26
Part Number
95701-06016-08
Description
BOLT, FLANGE (6X16)
Serial Range
1000001 - 9999999
Qty
Price
$1.82

Ref No
27
Part Number
95701-10025-00
Description
BOLT, FLANGE (10X25)
Serial Range
1000001 - 9999999
Qty
Price
$2.80

Ref No
27
Part Number
95701-10028-00
Description
BOLT, FLANGE (10X28)
Serial Range
1117942 - 9999999
Qty
Price
$1.84