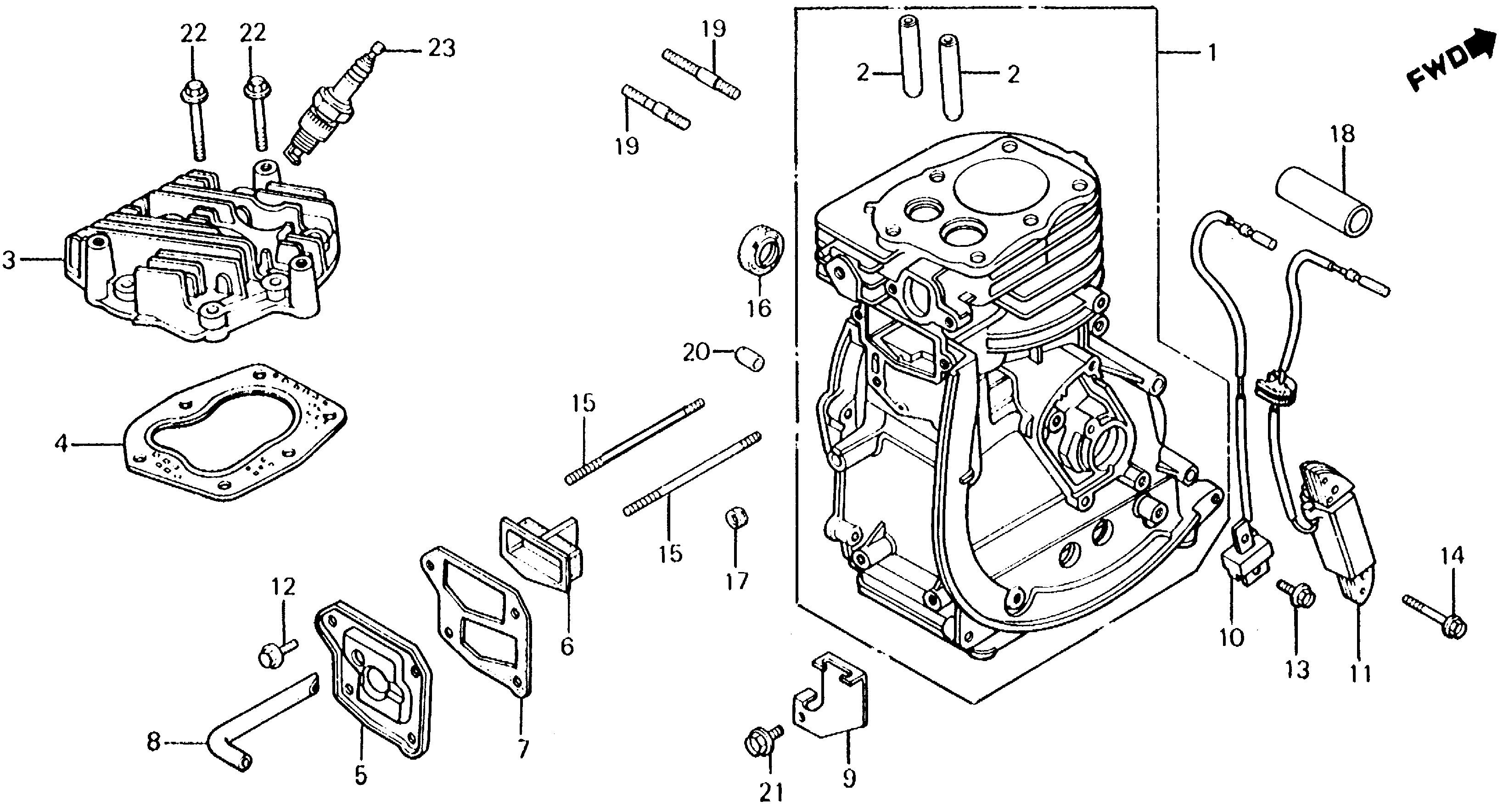
Ref No
Part Number
Description
Serial Range
Qty
Price
Ref No 1
Part Number 121A0-ZA7-000
Description CYLINDER
Serial Range 1000001 - 9999999
Ref No 2
Part Number 12134-892-305
Description GUIDE, VALVE (NOT AVAILABLE)
Serial Range 1000001 - 9999999
Ref No 3
Part Number 12221-ZA7-000
Description CYLINDER HEAD (NOT AVAILABLE)
Serial Range 1000001 - 9999999
Ref No 4
Part Number 12281-896-000
Description GASKET, CYLINDER HEAD (NOT AVAILABLE)
Serial Range 1000001 - 9999999
Ref No 5
Part Number 12361-896-000
Description COVER, TAPPET ROOM (NOT AVAILABLE)
Serial Range 1000001 - 9999999
Ref No 6
Part Number 12370-ZA7-000
Description SEPARATOR (INNER) (NOT AVAILABLE)
Serial Range 1000001 - 9999999
Ref No 7
Part Number 12375-896-000
Description GASKET, TAPPET COVER (NOT AVAILABLE)
Serial Range 1000001 - 9999999
Ref No 8
Part Number 15721-896-010
Description TUBE, BREATHER
Serial Range 1000001 - 9999999
Ref No 9
Part Number 16105-ZA7-000
Description HOLDER, TUBE
Serial Range 1000001 - 9999999
Ref No 10
Part Number 30410-896-602
Description COIL, PULSER
Serial Range 1000001 - 9999999
Ref No 11
Part Number 30590-896-602
Description COIL, EXCITER (NOT AVAILABLE)
Serial Range 1000001 - 9999999
Ref No 12
Part Number 90002-892-000
Description BOLT, FLANGE (5X10)
Serial Range 1000001 - 9999999
Qty
Price $1.72
Add To Cart
Ref No 13
Part Number 90007-892-000
Description BOLT, FLANGE (5X12)
Serial Range 1000001 - 9999999
Qty
Price $1.46
Add To Cart
Ref No 14
Part Number 90007-896-000
Description BOLT, FLANGE (5X25) (NOT AVAILABLE)
Serial Range 1000001 - 9999999
Ref No 15
Part Number 90041-896-000
Description BOLT, STUD (5X80)
Serial Range 1000001 - 9999999
Ref No 16
Part Number 91202-892-004
Description OIL SEAL (17X30X6) (NOK)
Serial Range 1000001 - 9999999
Qty
Price $12.28
Add To Cart
Ref No 17
Part Number 91231-816-000
Description OIL SEAL (5X10X4) (NOT AVAILABLE)
Serial Range 1000001 - 9999999
Ref No 18
Part Number 91406-898-000
Description TUBE, CORD
Serial Range 1000001 - 9999999
Qty
Price $4.16
Add To Cart
Ref No 19
Part Number 92700-06028-0B
Description BOLT, STUD (6X28)
Serial Range 1000001 - 9999999
Ref No 19
Part Number 92900-06016-0B
Description BOLT, STUD (6X16)
Serial Range 1000001 - 9999999
Qty
Price $1.80
Add To Cart
Ref No 20
Part Number 94301-08140
Description PIN, DOWEL (8X14)
Serial Range 1000001 - 9999999
Qty
Price $2.74
Add To Cart
Ref No 21
Part Number 95700-06010-08
Description BOLT, FLANGE (6X10)
Serial Range 1000001 - 9999999
Qty
Price $1.96
Add To Cart
Ref No 21
Part Number 95701-06010-08
Description BOLT, FLANGE (6X10)
Serial Range 1000001 - 9999999
Qty
Price $1.96
Add To Cart
Ref No 22
Part Number 95701-06035-08
Description BOLT, FLANGE (6X35)
Serial Range 1000001 - 9999999
Qty
Price $2.18
Add To Cart
Ref No 23
Part Number 98076-54914
Description SPARK PLUG (BPR-4HS-10) (NGK)
Serial Range 1000001 - 9999999
Ref No 23
Part Number 98076-54917
Description SPARK PLUG (BPR4HS-10)
Serial Range 1000001 - 9999999
Qty
Price $2.46
Add To Cart
Ref No 23
Part Number 98076-54954
Description SPARK PLUG (W14FPR-UL10) (DENSO)
Serial Range 1000001 - 9999999
Qty
Price $3.16
Add To Cart